连续可变阻尼控制悬架控制系统又称CDC(Continuous Damping Control)悬架控制系统,属于半主动悬架控制系统,其按照路面情况和行驶条件,利用电磁阀连续调节减振器的阻尼,以确保最佳的操控稳定性和乘坐舒适性。该悬架控制系统在奇瑞瑞麒G6轿车及别克2009款君越轿车上有所应用。
1 CDC悬架控制系统组成
如图1所示,CDC悬架控制系统主要由4个带CDC电磁阀的CDC减振器(左前、右前、左后、右后带CDC电磁阀的减振器)、3 个车身垂直加速度传感器(左前、右前、左后车身垂直加速度传感器)、2个车轮垂直加速度传感器(左前、右前车轮垂直加速度传感器)及CDC悬架控制单元等组成。
图1 CDC悬架控制系统的组成
瑞麒G6轿车的2个前车身垂直加速度传感器分别位于前风窗玻璃下饰板下部左右两侧(图2),左后车身垂直加速度传感器和CDC悬架控制单元位于行李箱左侧护板内(图3),2个车轮垂直加速度传感器分别位于左右两侧前CDC减振器下部(图4)。
图2 瑞麒G6轿车前车身垂直加速度传感器安装位置
图3 瑞麒G6轿车左后车身垂直加速度传感器和CDC悬架控制单元安装位置
图4 瑞麒G6轿车车轮垂直加速度传感器安装位置
2009款君越轿车的2个前车身垂直加速度传感器分别位于左右两侧前减震器上方(图5),左后车身垂直加速度传感器位于后排座椅左侧靠背后方(图6),2个车轮垂直加速度传感器分别位于左右两侧前CDC减振器下部(图7),CDC悬架控制单元位于行李箱左侧饰板内(图8)。

图5 2009款君越轿车前车身垂直加速度传感器安装位置
图6 2009款君越轿车左后车身垂直加速度传感器安装位置
图7 2009款君越轿车车轮垂直加速度传感器安装位置
图8 2009款君越轿车CDC悬架控制单元安装位置
2 CDC悬架控制系统的工作原理
2.1 CDC减振器的工作原理
CDC减振器与常规减振器的区别在于,在上腔和补偿腔间增加了一个中间腔和CDC电磁阀,配合流通阀、伸张阀及压缩阀,使一部分油液可以通过中间腔从上腔流向补偿腔,通过控制CDC电磁阀的工作电流改变节流通道的大小,达到对伸张和压缩时的阻尼进行连续调节。
如图9所示,CDC减振器的工作过程分为拉伸行程和压缩行程,具体工作原理如下。
(1)伸张行程。活塞杆相对腔体向上运动,上腔体积减小,上腔和中间腔油压增大。油液流动路径分3路:上腔油液推开活塞总成上的伸张阀,流入下腔;由于活塞杆占有一定空间,自上腔流入的油液不足以充满下腔容积的增加,因此补偿腔油液推开底阀总成上的补偿阀,流入下腔;中间腔的油液通过CDC电磁阀控制的节流通道流入补偿腔。当活塞杆与腔体的相对速度较小时,油压不足以克服拉伸阀弹簧预紧力,拉伸阀关闭;当油压升高到足够克服拉伸阀弹簧预紧力时,拉伸阀开启。
(2)压缩行程。活塞杆相对腔体向下运动,下腔体积减小,下腔油压增大。由于流通阀开启压力小,仅起到单向阀的作用,因此下腔与上腔压力相差不大。油液流动路径分3路:下腔油液通过活塞总成上的流通阀阀流入上腔;下腔油液通过底阀总成上的压缩阀流入补偿腔;中间腔的油液通过CDC电磁阀控制的节流通道流入补偿腔。当活塞杆与腔体的相对速度较小时,油压不足以克服压缩阀弹簧预紧力,压缩阀关闭;当压力升高到足够克服压缩阀弹簧预紧力时,压缩阀开启。
图9 CDC悬架控制系统减振器的工作原理
2.2 CDC悬架控制系统的工作原理
CDC悬架控制单元对CDC减振器的控制兼顾了车辆的操作安全性和乘坐舒适性。如图10所示,CDC悬架控制单元根据3 个车身垂直加速度传感器信号和2个车轮垂直加速度传感器信号来评估车身振动情况和CDC减振器速率,从而确定每一个CDC电磁阀的工作电流,对不同的车身动作进行调整,同时CDC悬架控制单元根据转向盘转角、车速、加速踏板位置和制动开关信号来判断驾驶人意图,从而在极端工况下(高速转弯、急加速、紧急制动等)限制CDC电磁阀的最大工作电流,以确保安全。
图10 CDC悬架控制系统的电控原理
车身垂直加速度传感器和车轮垂直加速度传感器均为3根导线,分别为5 V参考电源线、信号线和搭铁线。车身垂直加速度传感器和车轮垂直加速度传感器的信号范围均为0.5 V~4.5 V。
CDC悬架控制单元通过占空比信号控制电磁阀的工作电流,并通过检测CDC电磁阀的实际工作电流实现闭环控制。CDC电磁阀的电流范围为0 A~1.6 A。CDC电磁阀的工作电流越大,对应的阻尼越小;CDC电磁阀的工作电流越小,对应的阻尼越大。CDC电磁阀可在几毫秒内回应CDC悬架控制单元的指令。
CDC悬架控制系统有普通、舒适和运动3种工作模式,可以通过模式开关进行模式选择。普通模式时,阻尼在最大阻尼范围调节;舒适模式时,要求缓慢衰减车身振动,阻尼在低阻尼范围调节;运动模式时,要求迅速衰减车身振动,阻尼在高阻尼范围调节。当CDC悬架控制系统失效时,阻尼处于最高状态,以保证车辆行驶时的安全性。
3 CDC悬架控制系统的故障诊断
当CDC悬架控制系统出现故障时,瑞麒G6轿车仪表上的ECS(Electronic Control Suspension)报警灯会点亮,而2009款君越仪表上无与CDC悬架控制系统相关的报警灯,但驾驶人信息中心显示器上会提示“请检修悬挂系统(SERVICE SUSPENSION SYSTEM)”(图11)。
图11 2009款君越轿车CDC悬架控制系统的故障提示
CDC悬架控制系统出现故障时,CDC悬架控制单元内一般会存储相应的故障代码,而故障大致可归为4类。
(1)电源故障。包括CDC悬架控制系统的12 V工作电源故障(小于9 V或大于16 V),车身垂直加速度传感器和车轮垂直加速度传感器5 V参考电源故障(小于4.5 V或大于5.5 V)。如2009款君越轿车故障代码C0870 03,其含义为左前轮垂直加速度传感器 5 V参考电源对搭铁短路。
(2)传感器输出信号故障。包括车身垂直加速度传感器和车轮垂直加速度传感器输出信号电压过高(大于4.5 V)、过低(小于0.5 V)或失真(在颠簸路面以超过30 km/h车速行驶时,传感器信号固定不变)。如2009款君越轿车故障代码C0670 02,其含义为左前轮垂直加速度传感器信号对搭铁短路。
(3)执行器故障。包括CDC电磁阀不工作时,电源线上的电压过大,以及CDC电磁阀工作时,CDC电磁阀的实际电流与指令电流不符。如2009款君越轿车故障代码C0575 0F,其含义为左前CDC电磁阀电路信号异常。
(4)通讯故障。主要是通讯线路故障或DCD悬架控制模块损坏。如2009款君越轿车故障代码C0000 71,其含义为车速信息无效数据。
对于存有当前故障代码的车辆,重点检查故障代码所提示部件的线路及导线连接器是否断路、对搭铁或电源短路,尤其要检查导线连接器的端子是否弯曲及金属孔是否前移、后退等,必要时可以脱开相关部件的导线连接器,观察原来的当前故障代码是否变为历史故障代码。对于存有偶发性故障代码的车辆,如果故障现象不好再现,可以采用敲击部件、抖动线束的方法进行检查,若偶发性故障代码提示车轮垂直加速度传感器或前DCD电磁阀电路有故障,还可左右转动转向盘进行检测,因为此处的线束受转向的影响较大。
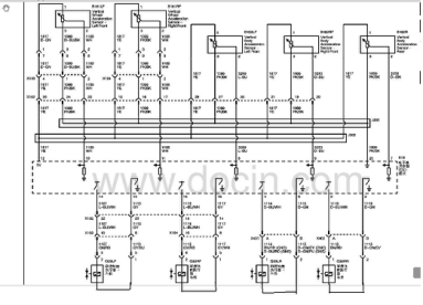
在诊断CDC悬架控制系统的过程中,有时必须参考CDC悬架控制系统电路才好下手,为此笔者整理了瑞麒G6轿车CDC悬架控制系统电路(图12)和2009款君越轿车CDC悬架控制系统电路(图13),以供广大维修人员参考。
图12 瑞麒G6轿车CDC悬架控制系统电路
图13 2009款君越轿车CDC悬架控制系统电路
(收稿日期:2013-11-28)